PROPOSED SYSTEM:
The proposed system is implemented by using IoT technology which gives the status of parking slots in real time by means of a mobile application implemented by using MIT App inventor tool. The system includes the usage of a cloud providing the access to data at anywhere and anytime.
HARDWARE REQUIREMENTS:
• ESP32 Devkit
• IR Sensors
• Breadboard
• Connecting Wires
• USB Cable
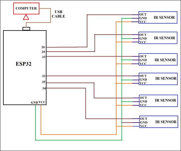
BLOCK DIAGRAM:
SYSTEM ARCHITECTURE:
SYSTEM FLOWCHART:
THINGSPEAK:
MIT APP INVENTOR TOOL:
MOBILE APPLICATION SCREENSHOT:








